进口液氧低温止回阀
品牌:德国沃德WODE
进口液氧低温止回阀又称低温逆止阀、低温单向阀、低温逆流阀、和低温背压阀,是指采用经过低温深冷的不锈钢材质,在低温贮槽上或者低温管道系统,依靠介质本身流动而自动开、闭阀瓣,防止低温介质液氧,液氮,液氩,液化天然气,LO2、LN2、LAR、LNG等倒流的阀门。
液氧即液态氧。液态氧(常用缩写LOX或LO2表示)是氧气的状态为液态时的液体。它在航天,潜艇和气体工业上有重要应用。液氧为浅蓝色液体,并具有强顺磁性。它的主要物理性质如下:通常气压(101.325 kPa)下密度1.141 t/m3 (1141kg/m3),凝固点50.5 K(-222.65 °C),沸点90.188 K(-182.96 °C)。
进口液氧低温止回阀主要技术参数:
品牌
德国沃德WODE
公称通径
DN10~200mm
公称压力
PN1.6~6.4MPa
适用介质
低温液氮、液氧、液氩、液化天然气、液态二氧化碳、液态丙烷等
适用温度
-196℃~+80℃
连接方式
承插焊、对焊
安装方式
水平、立式
注:沃德公司用于液氧的产品都经过禁油脱脂处理、低温处理。
零件材料:
阀体
SS304、SS316、SS304L、SS316L
阀盖
SS304、SS316、SS304L、SS316L 、H62
阀瓣
填料、密封圈
PTFE
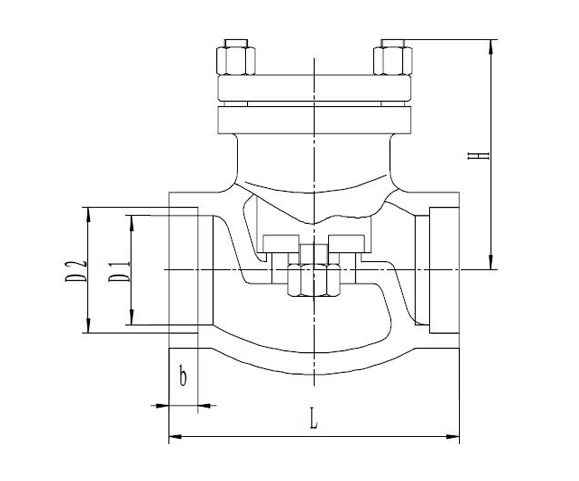
进口液氧低温止回阀结构图:
由于网站版面的原因,具体连接尺寸请致电沃德各代理商。
进口液氧低温止回阀特征:
1、低温止回阀经过低温深冷处理、脱脂去油处理,能耐-196℃低温
2、低温止回阀阀瓣材料经过镀铬或氮化处理,提高阀杆表面硬度,提高填料密封的可靠性。
3、低温止回阀用的垫片具有在常温下、低温状态及温度变化下能可靠密封性和复原性。
由于网页版面的原因本文中所有文字、数据、图片均只适用于参考,该进口液氧低温止回阀的性能参数、结构尺寸参数、价格等详情请致电沃德各代理商。德国沃德WODE授权一级代理商:北京永德宝阀门有限公司